麻豆网站免费入口APP下载當前位置:首頁 > 產品中心 > 麻豆网站免费入口APP下载 >
HSG係列麻豆网站免费入口APP下载

HSG-01係列麻豆网站免费入口APP下载
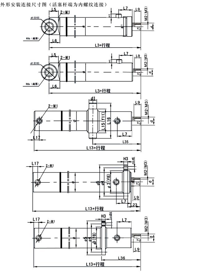
本係列液壓缸具有結構簡單,工作可靠,拆裝方便易維修,可帶緩衝裝置及連接方式多樣等特點。適用於工程機械、礦山機械、起重運輸機械等行業。
本係列液壓缸具有結構簡單,工作可靠,拆裝方便易維修,可帶緩衝裝置及連接方式多樣等特點。適用於工程機械、礦山機械、起重運輸機械等行業。
Copy right © 2018 無錫麻豆AV在线永久免费氣動液壓工程有限公司 版權所有 All Rights Reserved
蘇ICP備37474954號-3